發布時間:2025-08-15 09:02:08 人氣:
憑借微米級分辨率、非接觸、無創和三維成像的優勢,頻域光學相干斷層成像(SD-OCT)技術已經在眼科診療中發揮重要作用,為黃斑變性、糖尿病視網膜病變等提供精細的結構影像。近年來隨著技術的進一步發展,SD-OCT也開始在神經科學、癌癥早篩、工業檢測、材料分析等多個前沿領域大放異彩,并與人工智能結合,進一步提升成像質量與特征分析能力。


PART 01


神經科學與腦功能研究
在神經科學實驗室,SD-OCT 已經被用來對小動物大腦皮層微血管網絡和視網膜多層結構進行實時成像,并結合血流速度測量,研究中風、阿爾茨海默病等疾病中的血流動力學變化。其高分辨率和非侵入特性,使研究者無需開顱即可獲取精細的腦血管圖譜,并能與光遺傳學、鈣成像等技術結合,實現神經活動與血流變化的同步觀察。
作用亮點
無需開顱即可獲取腦血管和視網膜的精細結構圖譜
可精確區分視網膜各層(如NFL、INL、ONL、光感受器層、RPE等)
支持視網膜厚度、細胞層狀態等關鍵指標的定量分析
與行為學測試、光刺激實驗結合,可研究視覺功能與結構變化的關系

案例
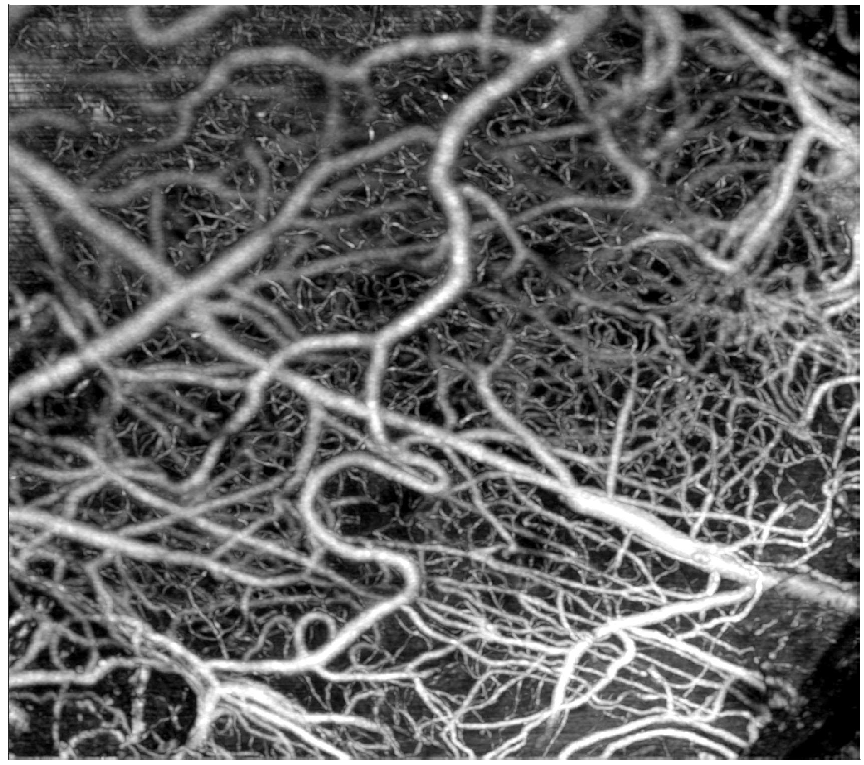
大腦成像:某研究團隊利用SD-OCT的高速掃描能力,首次實現了活體小鼠大腦中血管收縮-擴張動態的毫秒級捕捉,為腦血管疾病機制提供了新證據。
視網膜成像(如下圖):

圖注:SD-OCT在小鼠視網膜成像中的應用示例,展示了多層結構分辨與定量測量能力。
A:小鼠頭部固定在成像裝置上,保證掃描穩定性
B:視網膜掃描定位示意圖
C:小鼠視網膜橫截面圖,清晰標注NFL、IPL、INL、OPL、ONL、ELM、IS/OS、RPE等層結構
D/E:通過分層分析與邊界提取,精確測量不同區域的視網膜厚度,為青光眼、視網膜變性等疾病的早期診斷和療效評估提供數據支持


PART 02


1.微納制造質量檢測
半導體制造、MEMS器件、微流控芯片等領域,對內部缺陷的檢測往往依賴破壞性切片。而SD-OCT可以實現非破壞式三維剖析,不僅節省時間,還避免了樣品損毀。

檢測芯片層間空洞、裂紋
檢測精密結構的高度與厚度變化
2.功能材料表征
對于多層光學薄膜、光子晶體等功能材料,SD-OCT 能測量層厚、界面質量和缺陷位置,特別適合在生產過程中進行在線質量控制

圖注:兩個利用(OCT)技術獲取的截面成像結果,分別對應不同的樣品與應用場景
上半部分:
對象:柔性印刷 RFID 天線
特點:可以看到多條起伏的強反射層,表征了天線內部結構的不同界面。不同位置的波峰/波谷顯示了天線表面及內部層的形貌變化。
下半部分:
對象:薄層 Parylene C 涂層
特點:
Parylene C:清晰的高反射平面層,說明該薄膜界面平整且連續。
Gas chamber:局部出現凸起和多層干涉結構,表明薄膜下面存在空腔或氣體夾層,這是典型的缺陷區域。
意義:OCT 在此可以檢測到封裝或涂層材料中的氣泡、分層等微小缺陷,這對于電子器件的可靠性檢測很關鍵。

PART 03


1.多模態融合
OCT + 熒光顯微鏡/拉曼光譜:在同一位置獲取結構與分子信息,實現“形態+化學”的雙重解析。
光聲OCT(PA-OCT):融合光聲信號,可同時獲得血氧飽和度、吸收特性與微結構信息,為疾病早篩提供更多維度的指標。
2.人工智能賦能
深度學習模型(如 GAN)可去除 OCT 圖像中的陰影偽影,自動分割病灶,甚至預測疾病進展。同時,基于卷積神經網絡(CNN)的專用架構(如 Optic-Net 71)能夠從 OCT 圖像中提取多層特征,并在不同階段對關鍵結構進行精細分析,實現更精準的分類與診斷。
作用亮點
提升圖像質量,減少偽影干擾
自動化、智能化病灶分割與分類
學習到關鍵病灶區域的細微變化,輔助疾病進展預測

案例

圖注:基于 Optic-Net 71 模型的 OCT 圖像特征可視化與學習過程示意,不同顏色代表不同深度特征激活區域。
左側部分:展示兩組公開 OCT 數據集(OCT2017 與 Srinivasan2014,均為SD-OCT成像系統采集的數據集)中不同類型病變(正常、Drusen、CNV、DME、AMD)在 Optic-Net 71 模型不同處理階段的特征圖表現,顏色表示特征激活強度
右側部分:學習過程示意圖,展示特征如何在不同構建模塊中被提煉與組合,從而優化分類結果并減少特征丟失

我司現已推出SD-OCT光譜儀,SD-OCT邁克爾遜干涉儀,以及整套SD-OCT成像系統,具有高通量、高分辨率、高靈敏度的特點,另外通過我司專利化的色散補償算法,進一步提升系統成像分辨率。

SD-OCT光譜儀

SD-OCT邁克爾遜干涉儀
成像展示
向左滑動查看更多成像示圖
點擊查閱我司OCT成像系統產品詳情:
了解詳情信息
譜量官網:http://m.777xnxx.com
譜量商城:https://www.plctss.com
| ||
| 掃碼關注譜量光電公眾號 |