ASFL系列亞納秒重頻可調諧激光器是一款具有高重頻,窄脈寬,高峰值功率的雙波長亞納秒激光器。該系列激光器可輸出1064nm和532nm波長的激光。基于光纖耦合半導體端面泵浦和半導體陣列側泵模塊實現高效率固體放大,在熱退偏、光束質量控制和抗損傷等方面具備突出優勢。激光器滿足0~40℃工作,可適應車載、機載和艦載等動態平臺。采用模塊化設計、通用性組件,保障激光器底層元器件可靠易維護。廣泛應用于生物醫學成像、點云成像激光雷達,激光測距,大氣探測等。
主動調Q,時間抖動小
窄脈寬,峰值功率高
高穩定性,使用苛刻環境
1064nm、532nm可選
光束質量和指向穩定性好
LD泵浦壽命長,抗振設計
生物超聲成像
精細加工
光電探測
多通道大氣探測
激光雷達點云成像
激光遙感,激光測距
注:該系列產品可選擇單波長1064nm、532nm或雙波長輸出,標品單波長款能量>1mJ,其他能量需求可聯系我司溝通定制。

|
|
| 激光波長1064.584nm(真空中),光譜寬度0.105nm | 脈沖寬度1.04ns@532nm |
|
|
| 重復頻率10KHz@532nm | 輸出激光能量1.149mJ@532nm |
|
|
| 光束質量因子M2≈1.099@532nm | 光束指向穩定性±4.08μrad@532nm |
![]() | ![]() | ![]() |
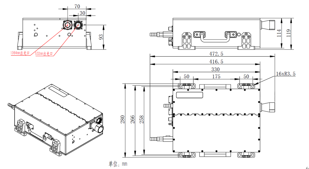
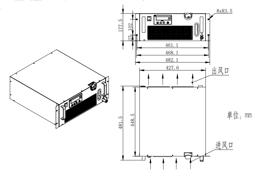
| 激光頭尺寸↑ | 電控箱尺寸↑ | 冷水機尺寸↑ |
|
|
|
|